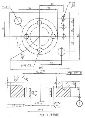
為了培養并訓練初學者對工件的數控加工工藝分析與設計能力 , 提高數控程序編制的正確率 , 熟練操縱數控機床對工件進行數控加工 , 避免在實際生產加工過程中由于誤操作而引發的機器設備故障、工具損壞、工件報廢、甚至操作人員的傷亡 , 或是由于設備種類和數量的不足、生產條件的限制 , 無法保證每名初學者對數控機床的實際操作 , 可以采取行之有效的教學方法 , 即通過使用 “數控加工仿真系統”, 虛擬現實技術和多媒體技術 ,可以讓多數學生同時進行大量低成本仿真練習 , 熟練地掌握數控機床各種操作規程與技術以及手工編程設計與調試能力 , 為實際操作打下良好基礎. 下面就圖 1 所示工件應用“數控加工仿真系統”進行數控編程與加工過程的分析.
1 數控加工工藝的設計
該工件可先在普通機床上將底面和四個側面加工好, 其余的如頂面、孔及溝槽在立式加工中心上完成 , 該過程的數控加工工序按“先面后孔” 、 “粗精分開” 、 “先主后次”等原則進行劃分為 13 個工步[ 1、 2 ], 包括選定刀具 , 確定切削參數 , 具體設置見附表 (見 87 頁) .

2 程序編制與輸入
2.1 程序的編制
該工件的數控加工工序可以在加工中心上一次裝夾來完成, 數控程序嚴格按照數控加工工序卡片進行編寫. 編程規則為 FANUC0 系統, 程序如下:


2.2 程序的輸入
數控加工仿真系統 界面 , 與實際數控機床控制面板、操作面板相仿 , 選擇 FANUC0 系統立式加工中心.
數控程序可以通過記事本或寫字板等編輯軟件輸入并保存為文本格式文件 (注意: 必須是純文本文件) , 也可直接用 FANUC系統的 MDI鍵盤輸入.
(1) 將工作模式旋鈕旋至“DNC”模式. (2) 打開菜單“機床P DNC傳送 …”, 在打開文件對話框中選取文件 , 按“打開”確認. (3) 通過 MDI鍵盤在程序管理界面輸入 Oxx , (O 后輸入 1~9999 的整數程序號) 點擊鍵 ,即可輸入預先編輯好的數控程序.
程序的輸入,也可將工作模式旋鈕旋至 “編輯”模式,在 MDI鍵盤上按 “PRGRM” (程序)鍵, 進入編輯頁面, 按每個程序字進行輸入, 同時還需要通過“AL TER”(替換) 、“INSRT”(插入) 、“DELET”(刪除) 、“CAN”(退格)等編輯鍵進行程序字的替換、插入、刪除、輸入域中數據的刪除等操作, 但較麻煩、費時.
3 對刀操作及刀補參數設定
數控程序一般按工件坐標系編程, 對刀的過程就是建立工件坐標系與機床坐標系之間關系的過程. 加工中心在 X , Y 方向對刀時使用的基準工具包括剛性靠棒和尋邊器兩種. 對 Z軸對刀時采用的是實際加工時所要使用的刀具 , 通常有塞尺檢查法和試切法.
立式加工中心對刀的方法簡述如下: 將工件上表面中心點設為工件坐標系原點. 機床開機回零后, 首先選擇“工作模式”為手動狀態; 然后安裝好加工工件; 再按程序要求安裝好加工程序中所指定的切削刀具.
應用尋邊器分別對工件的 X、Y 方向進行找正 , 設定工件坐標系 G54 的 X、Y 值 , 屏幕顯示結果如圖 2 所示. 刀具半徑補償與刀具長度補償的設定屏幕顯示結果如圖 3、圖 4 所示 (注意小數點和正負號) .

4 程序驗證與軌跡模擬
選擇“機床”命令下拉菜單中的“檢查 NC程序”, 對編制的程序進行語法規則的檢查 , 無誤后 , 將“工作模式”旋鈕旋至“自動”模式 , 點擊“AUX GRAPH” (路徑模擬) 按鈕后進入檢查運行軌跡模式 ,再按下操作面板上的“循環啟動”按鈕 , 結果如圖 5 所示 , 可證明刀具補償已建立.

5 仿真加工

6 結論
需要強調一點 , 在實際加工過程中 , 建議首件加工時應選擇較低的快速倍率 , 并利用單程序段功能 , 這樣 , 可減少因程序或對刀錯誤所引發的廢品. 同時 ,必須根據實際工件材質、刀具材料、機床性能等因素 , 合理修調主軸轉速 S、進給速度 F 等切削參數 ,以保證工件的加工精度及表面粗糙度 , 提高生產效率.
購買加工中心 高速加工中心 鉆攻中心 CNC加工中心 請選擇 伯特利數控
2024-11
本文以組合式六角亭模型為實例,分析工藝難點與加工可行性,指出該模型的加工難點是模型形狀不規則和整體剛性差,并通過設計新的工藝方案解決加工難點,完成了模型整體的加工。新的加工工藝有助于提高加工效率和精度,為五軸數控加工提供了一個典型案例,對于五軸加工中心數控加工也具有指導作用和重要… [了解更多]
2024-11
宇匠數控 備注:為保證文章的完整度,本文核心內容由PDF格式顯示,如未有顯示請刷新或轉換瀏覽器嘗試,手機瀏覽可能無法正常使用!本文摘要:通過對混聯五軸加工中心自適應深度學習控制方法的 研 究,可 知 此 方 法 的 創 新 之 處 在 于:1)建 立 了 機 床 的 運 動 學 … [了解更多]
2024-11
宇匠數控 備注:為保證文章的完整度,本文核心內容由PDF格式顯示,如未有顯示請刷新或轉換瀏覽器嘗試,手機瀏覽可能無法正常使用!本文摘要:1)本文建立了基于轉角向量和雙弦弓高的局部能量光順算法,該方法以刀心點光順前后最大許用偏移量作為約束,通過計算拐角處微小線段局部能量最優解,可使… [了解更多]
2024-11
在機測量技術由于其成本低、檢測效率高、無需二次裝夾等優勢被廣泛用于零件加工測量當中,使得五軸加工中心和五軸鉆攻中心,同時又兼具測量功能。在機測量系統的構成如圖1所示,硬件部分主要是由高精度探頭、信號接收器、機床整個本體,軟件部分由機床控制系統、測量軟件等組成[8]。待零件加工完成… [了解更多]